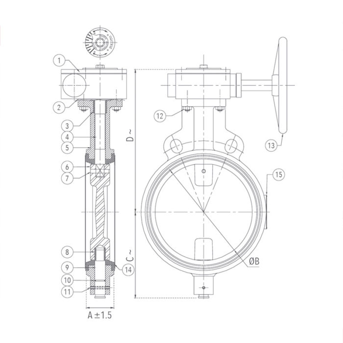
Salient Features
- Design Standard IS 13095 / BS EN 593 (BS 5155).
- Wafer Type.
- Gear Operated.
- S.G Iron construction.
- Stainless Steel (CF8 / CF8M*) Disc which is accurately guided between the two stems.
- Integrally moulded rubber lining (EPDM / Nitrile / Neoprene* / Viton* / Silicon*) as per requirement which provides seating to the valve disc, as a primary seal to the stem and gasket joint with matching pipe flanges.
- Two Piece Stem design which is precisely guided between the PTFE / Bronze bushes.
- Compatible to sandwich between flanges as per BS 10 Table D, E, F,H, DIN, PN 10, PN 16, PN 25, PN 40, ASA 150, ASA 300, IS 778, IS 6392 Table 17 and IS 1538.
*Valves with Neoprene / Viton / Silicon lining and CF8M (S.S 316) Disc can also be provided at nominal extra cost.
PN 1.6 –
Test Pressure (Hydrostatic) :
Shell : 2.4 MPa
Seat : 1.76 MPa
Maximum Working Pressure : 1.6 MPa
Maximum Working Temperature : 90°C








